电动车控制器电路图
2015-07-21
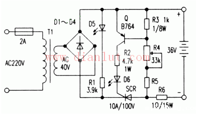
了解和熟悉电动车控制器电路图和电路工作原理,对于电动车维修工和研发人员是基本知识,不同品牌的电动车控制器电路图会有所不同,工作原理却大同小异,因此对于明白电动车控制器工作原理的维修人员,只要熟悉掌握市场上流行的电动车控制器品牌电路图,控制器维修也就依葫芦画瓢、事半功倍了。



下一篇: SDJ云开体育官网登录在电动观光车上的应用
2015-07-21
了解和熟悉电动车控制器电路图和电路工作原理,对于电动车维修工和研发人员是基本知识,不同品牌的电动车控制器电路图会有所不同,工作原理却大同小异,因此对于明白电动车控制器工作原理的维修人员,只要熟悉掌握市场上流行的电动车控制器品牌电路图,控制器维修也就依葫芦画瓢、事半功倍了。


