欣联达控制器接口信息
2017-11-10
欣联达控制器分四种接口
1. XY20(通用带CAN)
上图为(云开体育官网登录进线方向)
下图为(云开体育官网登录的接口定义)

2.XY18(通用非CAN)
下图为(云开体育官网登录的接口定义)

3.XY38(御捷专用线束)

上图为(云开体育官网登录进线方向)
下图为(云开体育官网登录的接口定义)

4.低速车23芯接口定义

下图为(云开体育官网登录的接口定义)

5.低速车35芯接口定义

下图为(云开体育官网登录的接口定义)
6.低速车24芯接口定义

下图为(云开体育官网登录的接口定义)

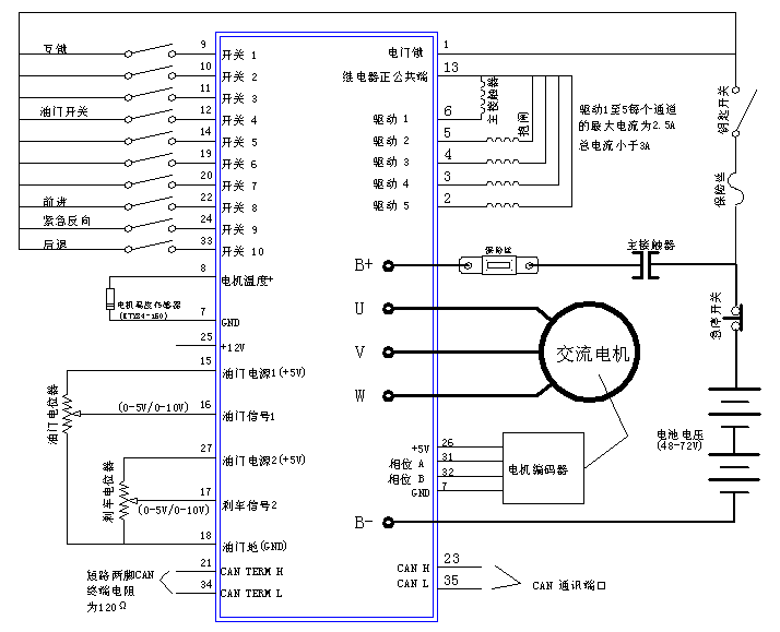
7.kaiyun体育中国官方APP接口


下图为(云开体育官网登录的接口定义)

下一篇: 纯电动汽车底盘电子控制系统组成









